壓力表

- AK-SX7083流量積算儀
- ◆ 本儀表適合于蒸汽和一般氣體的測量,可用于內部計量和貿易計量。 ◆ 本儀表符合新版流量積算儀檢定規程《JJG1003-2016》 ◆ 本安裝使用手冊是以具備一定的流量計經驗知識為對象編寫的,使

- 數顯壓力表
- AK-SXYLB數字壓力表為全電子結構。前端采用高精度壓阻式壓力傳感器,輸出信號由高精度,低溫漂的放大器放大處理,送入高精度的A/D轉換器,轉換成微處理器可以處理的數字信號,經過運算處理,

- 乙酸乙酯液位計
- 乙酸乙酯液位計是公司引進吸收國外同類產品,并加以提高的產品。系列產品可以做到高密封、防泄漏和在高溫、高壓、高粘度、強腐蝕性條件下可靠地測量液位,全過程測量無盲區
壓力表
|
|
|||||||||||||||
|
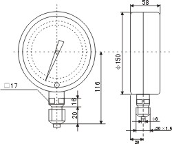
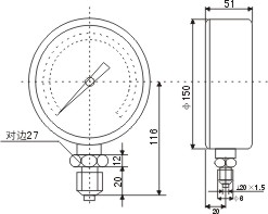
壓力表主要用來校驗工業用普通壓力表,也可在工藝現場測量對銅合金和合金結構等材質無腐蝕、非結晶、非凝固介質的壓力。 |
|||||||||||||||
|
|
|||||||||||||||
|
儀表由測壓系統、傳動機構、指示裝置和外殼組成。測壓彈性元件經特殊工藝處理,使其性能穩定可靠,與高精度的傳動機構配套調試后,能確保指示精度。 |
|||||||||||||||
|
|
|||||||||||||||
|
測量范圍、精確度等級及特點 |
|||||||||||||||
|
|||||||||||||||
|
使用環境條件:5~ |
|||||||||||||||
|
|
|||||||||||||||
|
YB |
相關資訊
聯系奧科
固話:0517-86919886
傳真:0517-86919886
手機:15261725556
地址:江蘇金湖縣工業園區工一路



